| Sign In | Join Free | My brakesband.com |
|
Brand Name : Microchip
Model Number : AT24C32D-SSHM-T
Certification : CE, GCF, ROHS
Place of Origin : China
MOQ : 1
Price : Negotiable
Payment Terms : T/T, Western Union,
Supply Ability : 1000pcs per month
Delivery Time : 3-5 working days after received the payment
Packaging Details : Packed in original tray firstly ,then carton, at last Bubble bag for outer packing
Function : Step-Up, Step-Down
Output Configuration : Positive or Negative
Topology : Buck, Boost
Output Type : Adjustable
Number of Outputs : 1
AT24C32D-SSHM-T 32Kb I2C Serial EEPROM 1.7V to 5.5V Wide Voltage 1MHz Speed 32-byte Page Hardware WP 1M Write Cycles 100-year Retention SOIC-8 Industrial Temp
andnbsp;
Features
andbull; Low-Voltage and Standard-Voltage Operation:
andnbsp; andndash; VCC = 1.7V to 5.5V
andbull; Internally Organized as 4,096 x 8 (32K)
andbull; Industrial Temperature Range: -40anddeg;C to +85anddeg;C
andbull; I2C-Compatible (2-Wire) Serial Interface:
andnbsp; andndash; 100 kHz Standard mode, 1.7V to 5.5V
andnbsp; andndash; 400 kHz Fast mode, 1.7V to 5.5V
andnbsp; andndash; 1 MHz Fast Mode Plus (FM+), 2.5V to 5.5V
andbull; Schmitt Triggers, Filtered Inputs for Noise Suppression
andbull; Bidirectional Data Transfer Protocol
andbull; Write‑Protect Pin for Full Array Hardware Data Protection
andbull; Ultra Low Active Current (3 mA maximum) and Standby Current (6 andmu;A maximum)
andbull; 32-Byte Page Write Mode:
andnbsp; andndash; Partial page writes allowed
andbull; Random and Sequential Read Modes
andbull; Self‑Timed Write Cycle within 5 ms Maximum
andbull; High Reliability:
andnbsp; andndash; Endurance: 1,000,000 write cycles
andnbsp; andndash; Data retention: 100 years
andbull; Green Package Options (Lead-free/Halide-free/RoHS compliant)
andbull; Die Sale Options: Wafer Form and Bumped Wafers
andnbsp;
Applications
1. Consumer Electronics
Smart Home Appliances: Stores user settings, configuration parameters (e.g., temperature, mode), and operation records.
TVs/Monitors: Stores EDID data such as resolution, color parameters, and user-defined modes.
Audio Devices: Stores equalizer settings, preset radio stations, volume levels, etc.
IoT Devices: Stores device-unique IDs, network configuration parameters, and sensor calibration data.
2. Communication andamp; Networking Equipment
Routers, Switches, Modems: Stores critical data such as MAC addresses, default configurations, and production debugging information.
Baseband Modules: Stores module configuration parameters and identification information.
3. Industrial andamp; Automotive Electronics
Industrial Control: Stores device calibration data, production dates, serial numbers, and maintenance logs.
Automotive Electronics: Used in infotainment systems, dashboards, and body control modules (BCMs) to store non-critical configuration data. Its industrial temperature range (-40anddeg;C to +85anddeg;C) meets most automotive and industrial requirements.
4. Computer andamp; Peripheral Devices
Printer Cartridges/Toners: A classic applicationandmdash;stores ink levels, serial numbers, and usage dates to prevent counterfeiting.
Motherboards (BIOS): Stores hardware configuration information.
RAID Cards: Stores configuration data.
Memory Modules: Stores SPD (Serial Presence Detect) information such as timings, voltage, and manufacturer details.
5. Medical Equipment
Portable Medical Devices: Stores device calibration data, user preferences, and usage records (note: medical certification requires system-level consideration).
andnbsp;
Description
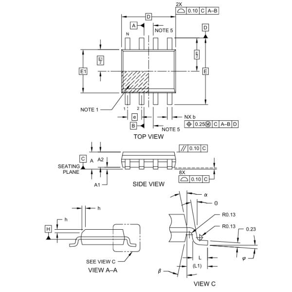
The AT24C32D provides 32,768 bits of Serial Electrically Erasable and Programmable Read-Only Memory (EEPROM) organized as 4,096 words of 8 bits each. The deviceandrsquo;s cascading feature allows up to eight devices to share a common 2‑wire bus. The device is optimized for use in many industrial and commercial applications where low‑power and low‑voltage operation are essential. The devices are available in space‑saving 8-lead SOIC, 8-lead TSSOP, 8-pad UDFN, 8-pad XDFN, 5-lead SOT23 and 8 ball VFBGA packages. All packages operate from 1.7V to 5.5V.
andnbsp;
INFORMATION
| Category | andnbsp; | |
| Mfr | andnbsp; | |
| Series | - | andnbsp; |
| Packaging | Tape andamp; Reel (TR) Cut Tape (CT) Digi-Reelandreg; | andnbsp; andnbsp; andnbsp; |
| Part Status | Active | andnbsp; |
| DigiKey Programmable | Verified | andnbsp; |
| Memory Type | Non-Volatile | andnbsp; |
| Memory Format | andnbsp; | |
| Technology | EEPROM | andnbsp; |
| Memory Size | andnbsp; | |
| Memory Organization | 4K x 8 | andnbsp; |
| Memory Interface | I2C | andnbsp; |
| Clock Frequency | 1 MHz | andnbsp; |
| Write Cycle Time - Word, Page | 5ms | andnbsp; |
| Access Time | 550 ns | andnbsp; |
| Voltage - Supply | 1.7V ~ 5.5V | andnbsp; |
| Operating Temperature | -40anddeg;C ~ 85anddeg;C (TA) | andnbsp; |
| Mounting Type | Surface Mount | andnbsp; |
| Package / Case | andnbsp; | |
| Supplier Device Package | 8-SOIC | andnbsp; |
| Base Product Number |
andnbsp;
Drawing

Our advantage :phones, PDAand#39;s, notebook comput.ers
andnbsp;
be sure to meet your need for all kinds of components. ^_^
Product List
Supply a Series of Electronic Components, full range of semiconductors, active andamp; passive Components.We can help you to get all for bom of the PCB,IN a word, you can get one-stop solution here,
The offers including:
Integrated Circuit, Memory ICs, Diode, Transistor , Capacitor, Resistor, Varistor, Fuse, Trimmer andamp; Potentiometer, Transformer, Battery, Cable, Relay, Switch, Connector, Terminal Block, Crystal andamp; Oscillator, Inductor, Sensor, Transformer, IGBT Driver, LED,LCD, Convertor, PCB (Printed Circuit Board),PCBA (PCB Assembly)
Strong in Brand:
Microchip, MAX, AD, TI, ATMEL, ST, ON, NS, Intersil, Winbond, Vishay, ISSI, Infineon, NEC, FAIRCHILD, OMRON,YAGEO, TDK, etc
|
|
AT24C32D-SSHM-T 32Kb I2C Serial EEPROM 1.7V to 5.5V Wide Voltage 1MHz Speed 32-byte Page Hardware WP 1M Write Cycles 100-year Retention SOIC-8 Images |